Reliable tip sealing and firm tip attachment are of key importance for efficient pipetting. With this in mind, we have re-engineered the connection between pipette and tip. By designing the GripTips in tandem with the new tip fitting of the VIAFLO pipettes we have created a unique and fully integrated system.
- By designing our GripTips in tandem with VIAFLO pipettes, we have created a unique, integrated system that offers the securest pipette tip connection. Without hammering, the GripTips literally snap onto the pipette’s tip fitting, which prevents tips from falling off.
- Reduced tip attachment and ejection forces for comfortable, stress-free pipetting.
- Precise and consistent tip seal ensures that all tips on a multichannel pipette, including VIAFLO 96 and VIAFLO 384, are precisely at an identical height for reliable touch offs and consistent pipetting results.

GripTips will snap over this lobes, attaching firmly. As a result, GripTips will never accidently fall off, even after several touch-offs (tip touches).
A shoulder provides a positive stop to prevent over-tightening of the tip. It can only be attached up to that point and no further. That means, the tip is either on or off, but nothing in between. Hammering the pipette into the tips to make sure they attach correctly is no longer required.

The O-ring on larger volume pipettes provides a forgiving and robust seal.
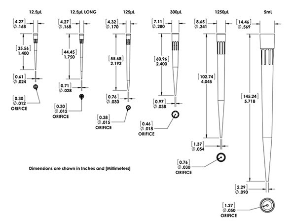
GripTips are designed for the VIAFLO pipette tip fitting. Their features perfectly match the tip fitting to form a complete system.
Specifications
