Antibiotics can wipe out early flu resistance, study finds

Antibiotics can leave the lung vulnerable to flu viruses, leading to significantly worse infections and symptoms, finds a new study in mice led by the Francis Crick Institute.

Antibiotics can wipe out early flu resistance, study finds
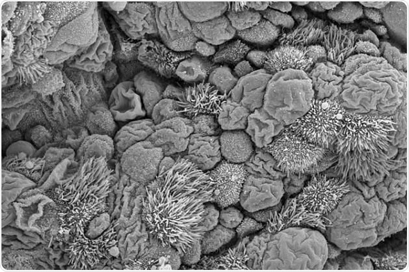
Scanning electron micrograph of epithelial cells lining the inside of a mouse lung. Different cell types with different shapes and different functions compose this inner lining, and the right balance between these cell types is important for a healthy lung.

The research, published in Cell Reports, discovered that signals from gut bacteria help to maintain a first line of defense in the lining of the lung. When mice with healthy gut bacteria were infected with the flu, around 80% of them survived. However, only a third survived if they were given antibiotics before being infected.

We found that antibiotics can wipe out early flu resistance, adding further evidence that they should not be taken or prescribed lightly. Inappropriate use not only promotes antibiotic resistance and kills helpful gut bacteria, but may also leave us more vulnerable to viruses. This could be relevant not only in humans but also livestock animals, as many farms around the world use antibiotics prophylactically. Further research in these environments is urgently needed to see whether this makes them more susceptible to viral infections."

Dr Andreas Wack, lead researcher, Francis Crick Institute

The study found that type I interferon signaling, which is known to regulate immune responses, was key to early defense. Among the genes switched on by interferon is a mouse gene, Mx1, which is the equivalent of the human MxA gene. This antiviral gene produces proteins that can interfere with influenza virus replication. Although often studied in immune cells, the researchers found that microbiota-driven interferon signals also keep antiviral genes in the lung lining active, preventing the virus from gaining a foothold.

"We were surprised to discover that the cells lining the lung, rather than immune cells, were responsible for early flu resistance induced by microbiota," says Andreas. "Previous studies have focused on immune cells, but we found that the lining cells are more important for the crucial early stages of infection. They are the only place that the virus can multiply, so they are the key battleground in the fight against flu. Gut bacteria send a signal that keeps the cells lining the lung prepared, preventing the virus from multiplying so quickly.

"It takes around two days for immune cells to mount a response, in which time the virus is multiplying in the lung lining. Two days after infection, antibiotic-treated mice had five times more virus in their lungs. To face this bigger threat, the immune response is much stronger and more damaging, leading to more severe symptoms and worse outcomes."

To test whether the protective effect was related to gut bacteria rather than local processes in the lung, the researchers treated mice with antibiotics and then repopulated their gut bacteria through fecal transplant. This restored interferon signaling and associated flu resistance, suggesting that gut bacteria play a crucial role in maintaining defenses.

Taken together, our findings show that gut bacteria help to keep non-immune cells elsewhere in the body prepared for attack. They are better protected from flu because antiviral genes are already switched on when the virus arrives. So when the virus infects a prepared organism, it has almost lost before the battle starts. By contrast, without gut bacteria, the antiviral genes won't come on until the immune response kicks in. This is sometimes too late as the virus has already multiplied many times, so a massive, damaging immune response is inevitable."

Dr Andreas Wack

Source:
Journal reference:

Wack, A. et al. (2019) Microbiota-Driven Tonic Interferon Signals in Lung Stromal Cells Protect from Influenza Virus Infection. Cell Reports. doi.org/10.1016/j.celrep.2019.05.105.

Citations

Please use one of the following formats to cite this article in your essay, paper or report:

  • APA

    The Francis Crick Institute. (2019, July 03). Antibiotics can wipe out early flu resistance, study finds. News-Medical. Retrieved on January 16, 2026 from https://www.appetitescience.com/news/20190702/Antibiotics-can-wipe-out-early-flu-resistance-study-finds.aspx.

  • MLA

    The Francis Crick Institute. "Antibiotics can wipe out early flu resistance, study finds". News-Medical. 16 January 2026. <https://www.appetitescience.com/news/20190702/Antibiotics-can-wipe-out-early-flu-resistance-study-finds.aspx>.

  • Chicago

    The Francis Crick Institute. "Antibiotics can wipe out early flu resistance, study finds". News-Medical. https://www.appetitescience.com/news/20190702/Antibiotics-can-wipe-out-early-flu-resistance-study-finds.aspx. (accessed January 16, 2026).

  • Harvard

    The Francis Crick Institute. 2019. Antibiotics can wipe out early flu resistance, study finds. News-Medical, viewed 16 January 2026, https://www.appetitescience.com/news/20190702/Antibiotics-can-wipe-out-early-flu-resistance-study-finds.aspx.

Comments

The opinions expressed here are the views of the writer and do not necessarily reflect the views and opinions of News Medical.
Post a new comment
Post

While we only use edited and approved content for Azthena answers, it may on occasions provide incorrect responses. Please confirm any data provided with the related suppliers or authors. We do not provide medical advice, if you search for medical information you must always consult a medical professional before acting on any information provided.

Your questions, but not your email details will be shared with OpenAI and retained for 30 days in accordance with their privacy principles.

Please do not ask questions that use sensitive or confidential information.

Read the full Terms & Conditions.

You might also like...
Unique immune cell linked to remission in patients with triple negative breast cancer